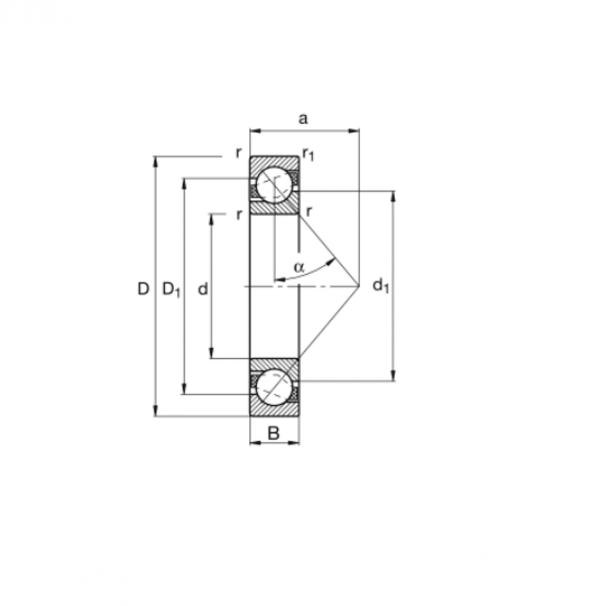
Ložisko 7202 B TVP - FAG

Rozmer: 15x35x11 Značka: FAG
Externý sklad na dopyt
+
-
ks