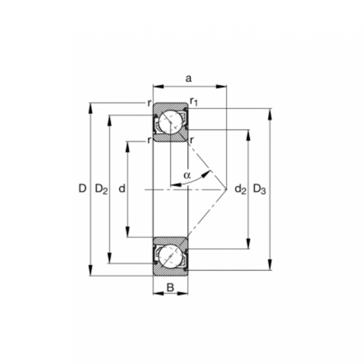
Ložisko 7203 B 2RS TVP - FAG

Rozmer: 17x40x12 Značka: FAG
Externý sklad na dopyt
+
-
ks