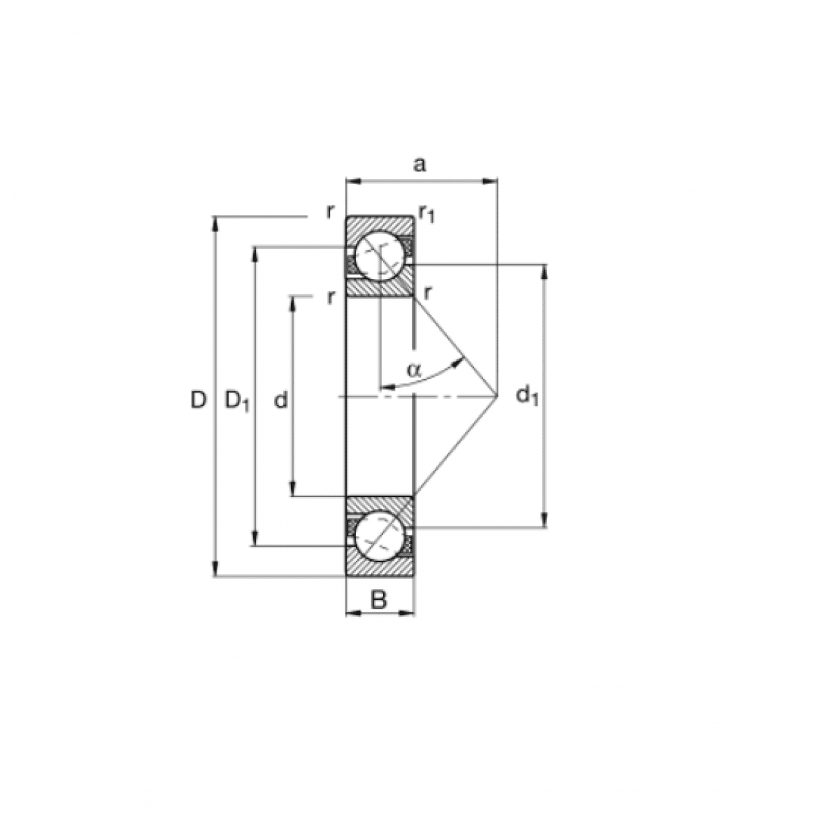
Ložisko 7204 B - KOYO

Rozmer: 20x47x14 Značka: KOYO-TORRINGTON
Externý sklad na dopyt
+
-
ks