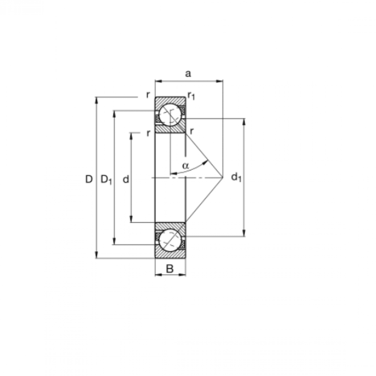
Ložisko 7205 B - ZVL

Rozmer: 25x52x15 Značka: ZVL
Externý sklad na dopyt
+
-
ks