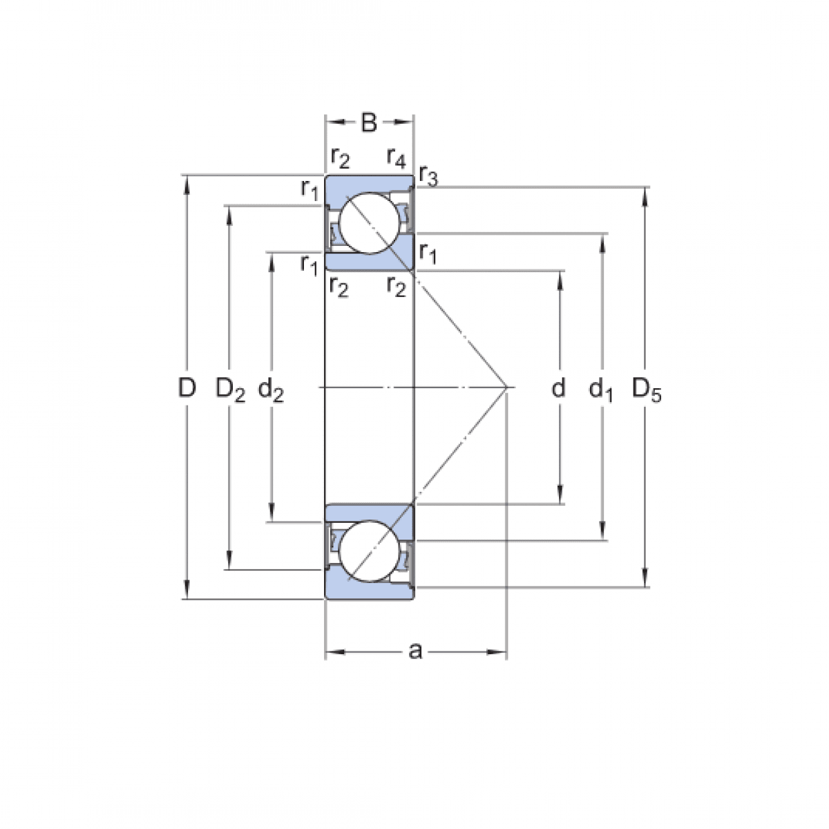
Ložisko 7205 BE 2RZP - SKF

Rozmer: 25x52x15 Značka: SKF
Externý sklad na dopyt
+
-
ks