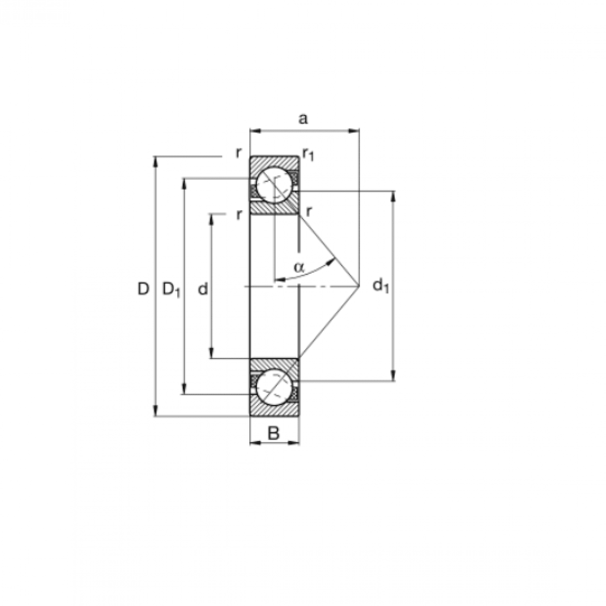
Ložisko 7205 BTVP - FAG

Rozmer: 25x52x15 Značka: FAG
Externý sklad na dopyt
+
-
ks