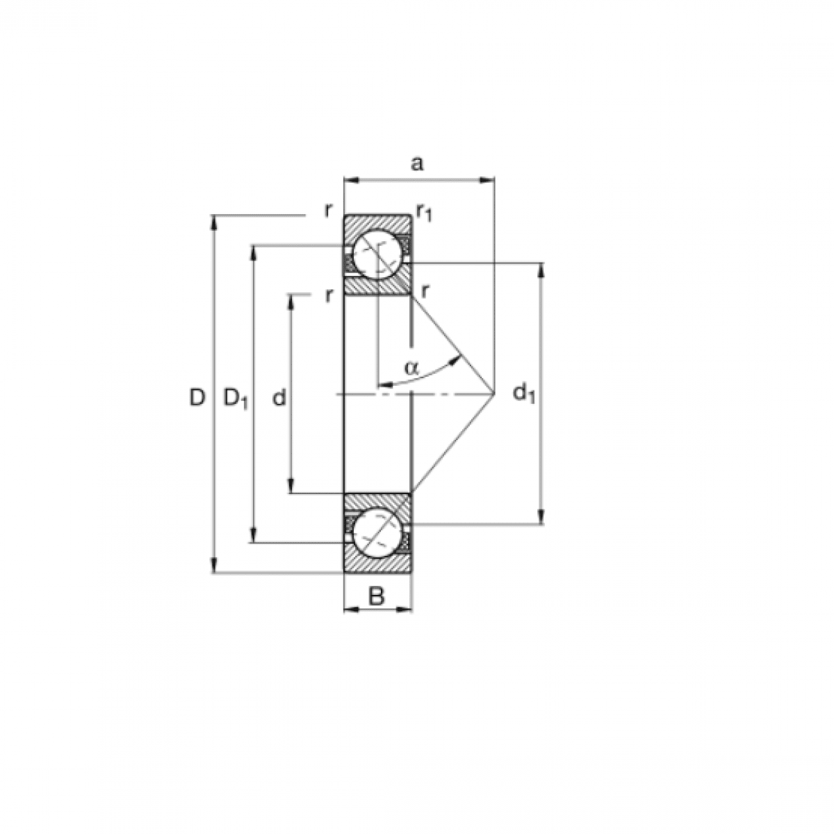
Ložisko 7206 B - MTM

Rozmer: 30x62x16 Značka: MTM
Skladom 1 ks na dopyt
+
-
ks