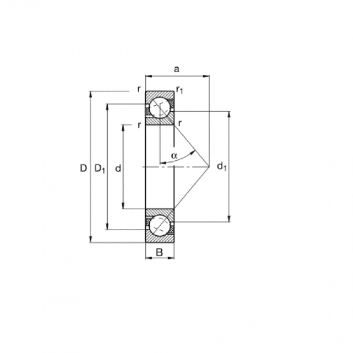
Ložisko 7206 BTVP - FAG

Rozmer: 30x62x16 Značka: FAG
Externý sklad na dopyt
+
-
ks