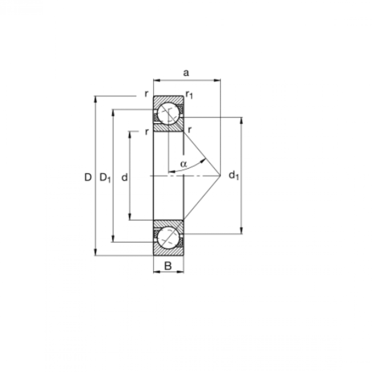
Ložisko 7207 B - FLT

Rozmer: 35x72x17 Značka: FLT
Skladom 1 ks na dopyt
+
-
ks