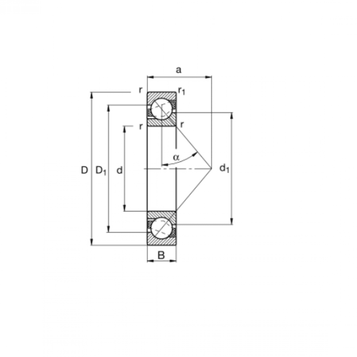
Ložisko 7208 B - BBC

Rozmer: 40x80x18 Značka: BBC
Externý sklad na dopyt
+
-
ks