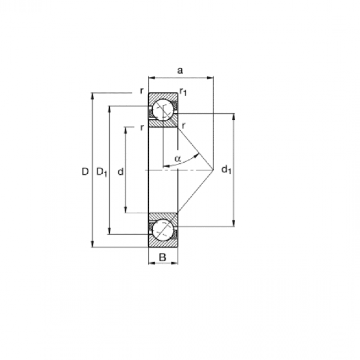
Ložisko 7208 B - CX

Rozmer: 40x80x18 Značka: CX
Externý sklad na dopyt
+
-
ks