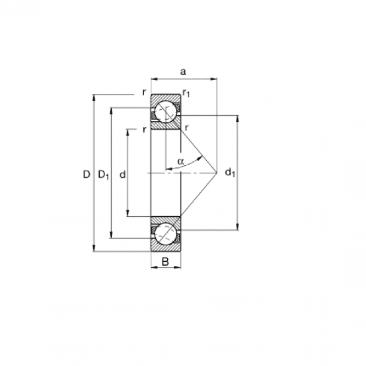
Ložisko 7208 B - KOYO

Rozmer: 40x80x18 Značka: KOYO-TORRINGTON
Externý sklad na dopyt
+
-
ks