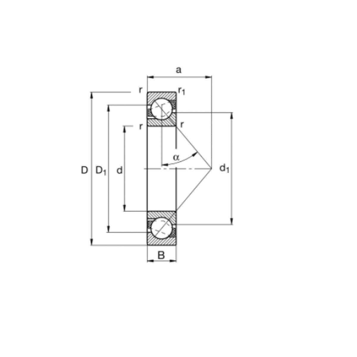
Ložisko 7208 B - MTM

Rozmer: 40x80x18 Značka: MTM
Skladom 3 ks na dopyt
+
-
ks