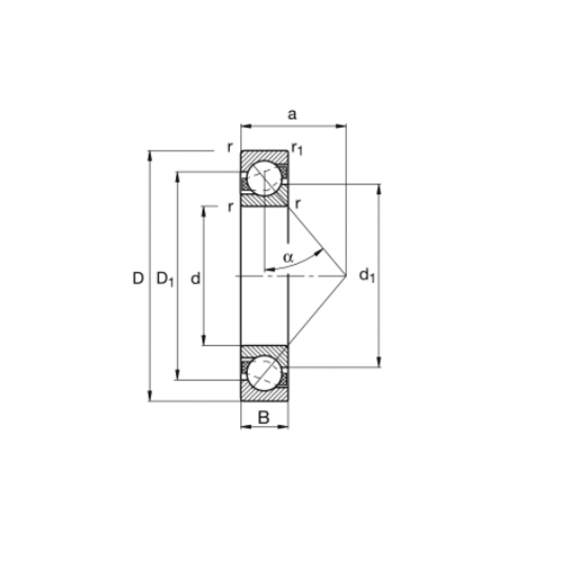
Ložisko 7209 B - CX

Rozmer: 45x85x19 Značka: CX
Skladom 3 ks na dopyt
+
-
ks