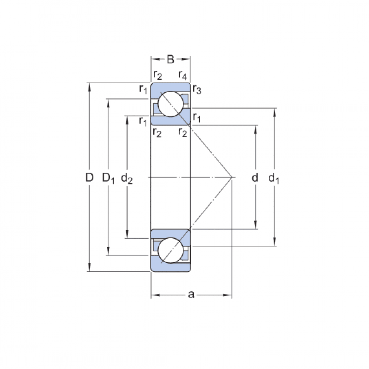
Ložisko 7209 BECBP - SKF

Rozmer: 45x85x19 Značka: SKF
Externý sklad na dopyt
+
-
ks