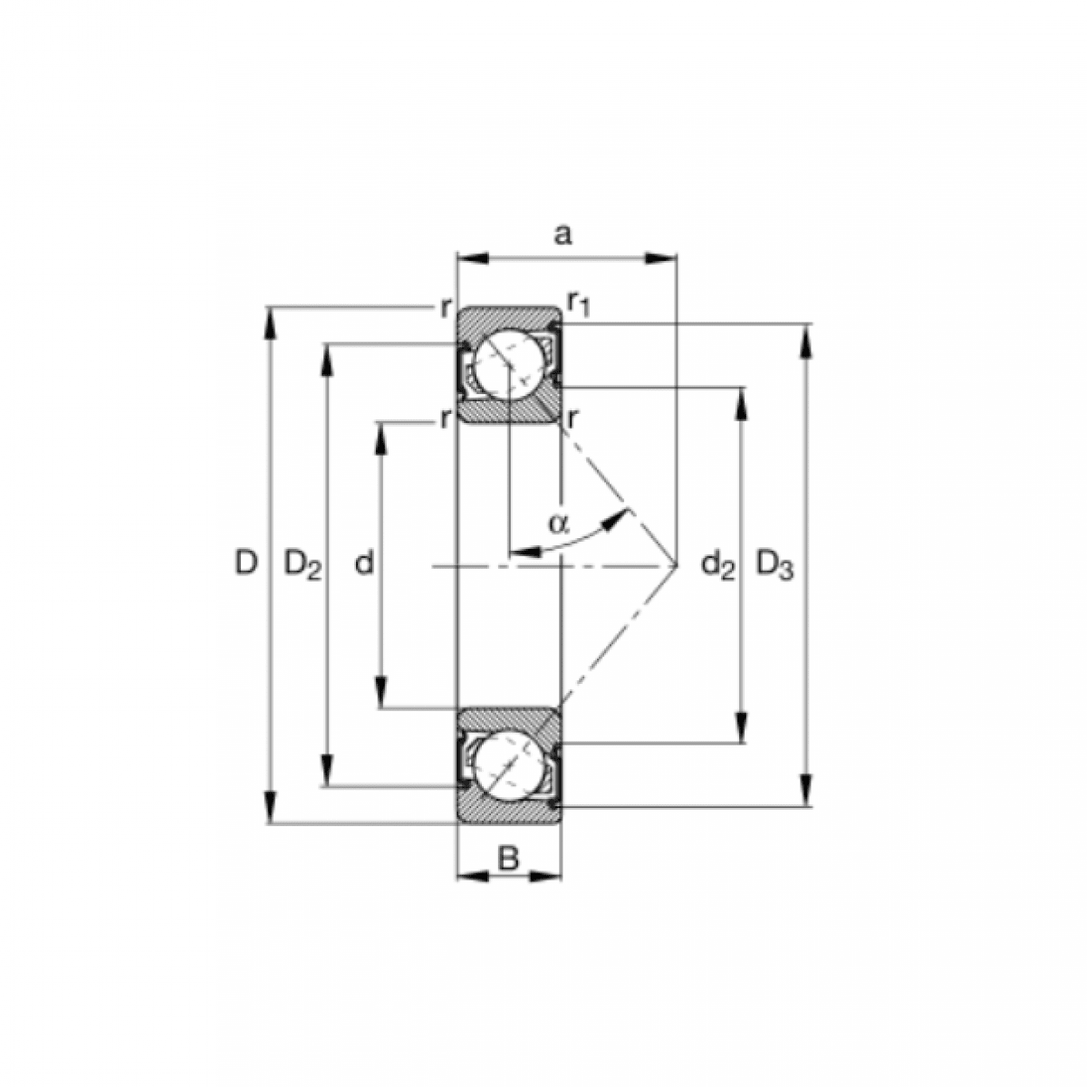
Ložisko 7210 2RS - NEU

Rozmer: 50x90x20 Značka: NEU
Externý sklad na dopyt
+
-
ks