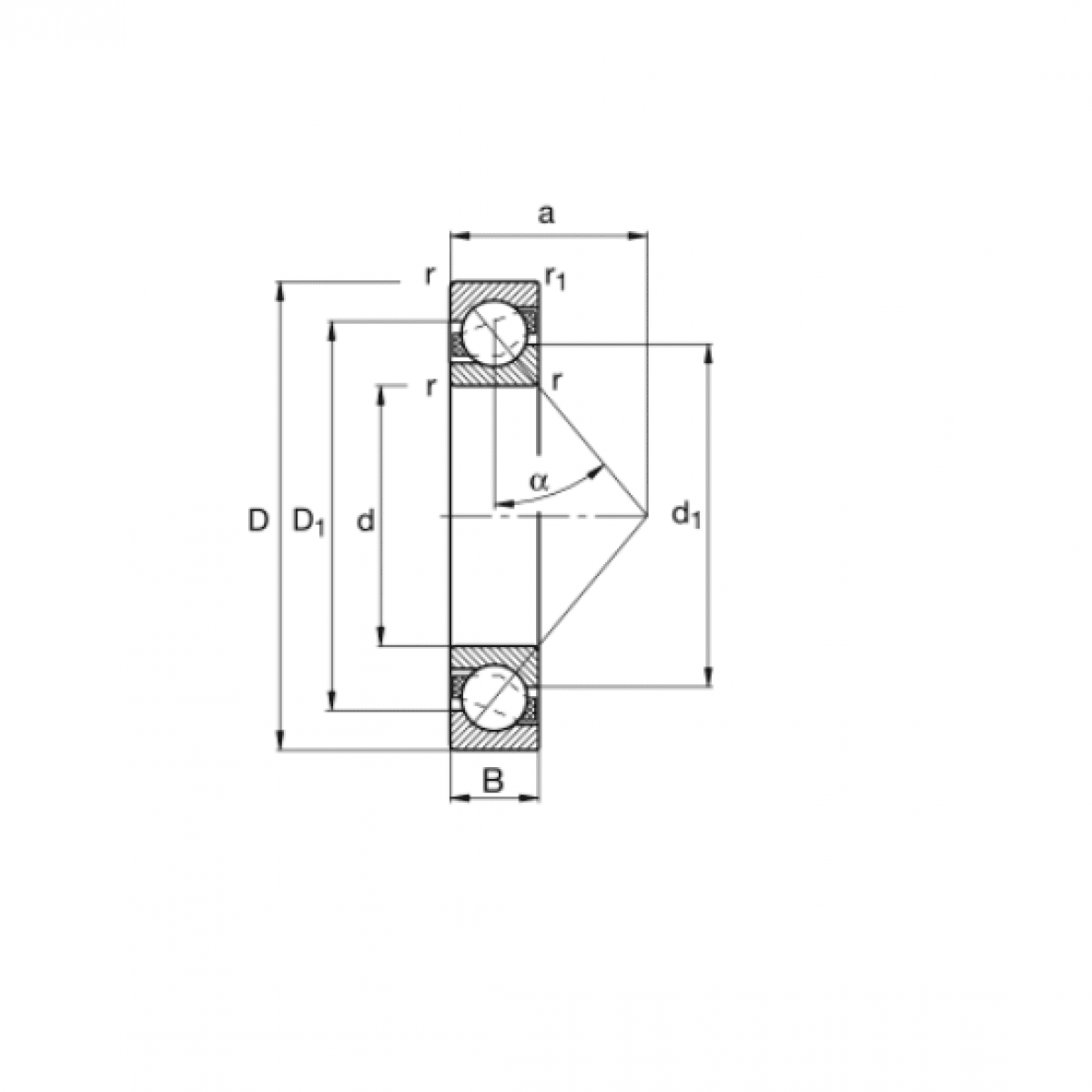
Ložisko 7210 B - KOYO

Rozmer: 50x90x20 Značka: KOYO-TORRINGTON
Externý sklad na dopyt
+
-
ks