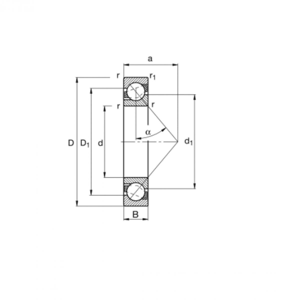
Ložisko 7212 B - KOYO

Rozmer: 60x110x22 Značka: KOYO-TORRINGTON
Externý sklad na dopyt
+
-
ks