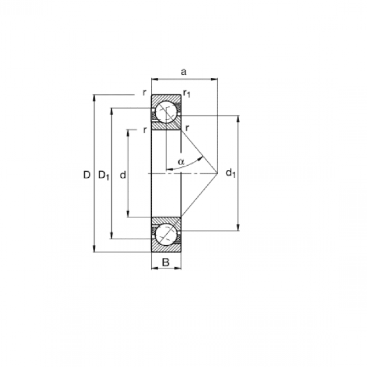
Ložisko 7219 BEP - SKF

Rozmer: 95x170x32 Značka: SKF
Externý sklad na dopyt
+
-
ks