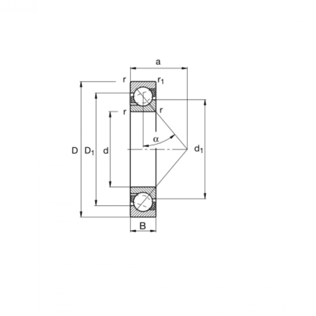
Ložisko 7220 BM- CX

Rozmer: 100x180x34 Značka: CX
Skladom 2 ks na dopyt
+
-
ks