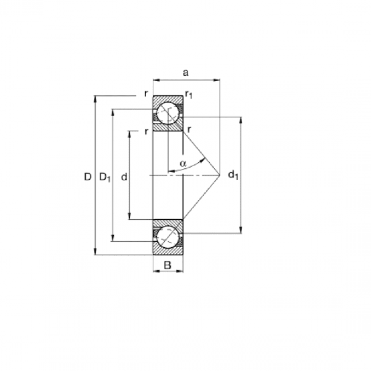
Ložisko 7304 B - ISB

Rozmer: 20x52x15 Značka: ISB, JNS
Externý sklad na dopyt
+
-
ks