Ložisko 7307 B - MTM

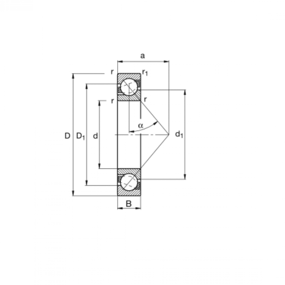
Rozmer: 35x80x21 Značka: MTM
Skladom 23 ks na dopyt
+
-
ks