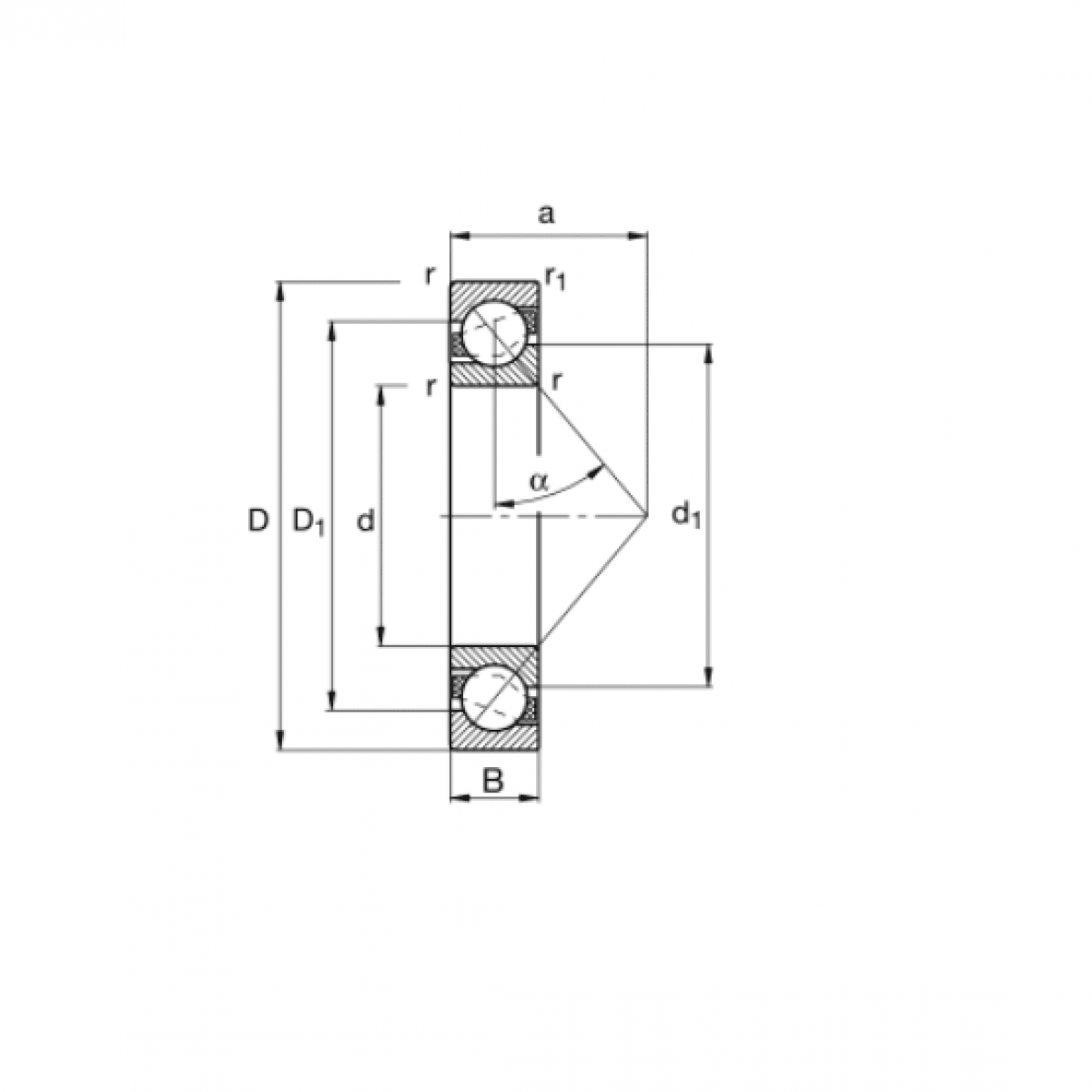
Ložisko 7309 B - ZVL

Rozmer: 45x100x25 Značka: ZVL
Skladom 2 ks na dopyt
+
-
ks