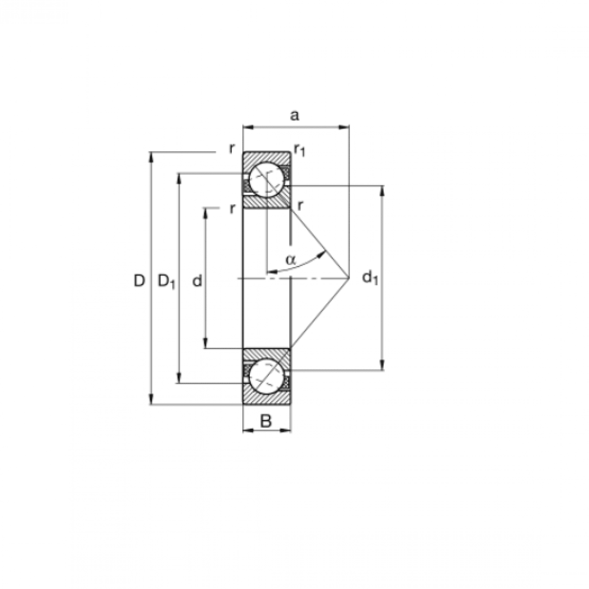
Ložisko 7310 B TVP - FAG

Rozmer: 50x110x27 Značka: FAG
Externý sklad na dopyt
+
-
ks