Ložisko 7414 BM - FAG

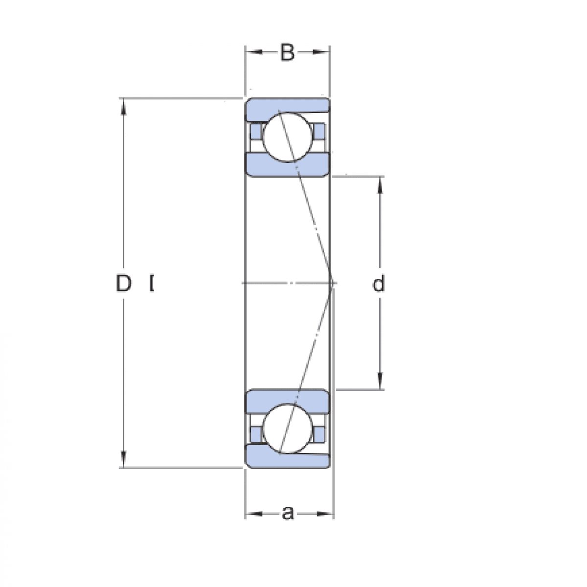
Rozmer: 70x180x42 Značka: FAG
Skladom 4 ks na dopyt
+
-
ks