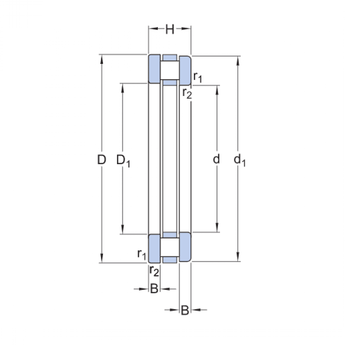
Ložisko 81106 TV/ INA

Rozmer: 30x47x11 Značka: INA
Externý sklad na dopyt
+
-
ks