Ložisko 81108 TV - INA

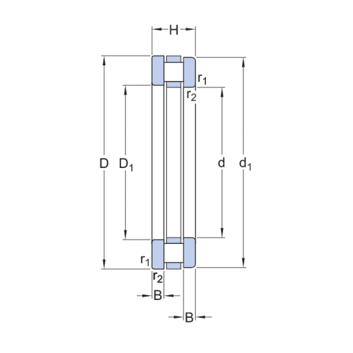
Rozmer: 40x60x13 Značka: INA
Externý sklad na dopyt
+
-
ks