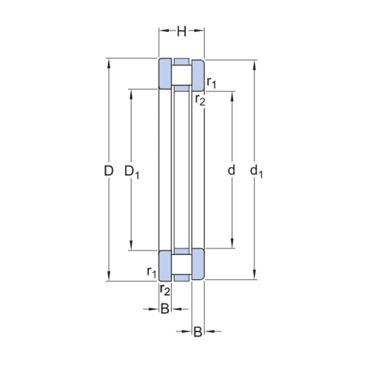
Ložisko 81110 TV - INA

Rozmer: 50x70x4 Značka: INA
Externý sklad na dopyt
+
-
ks