Ložisko 81113 TVP - KOYO

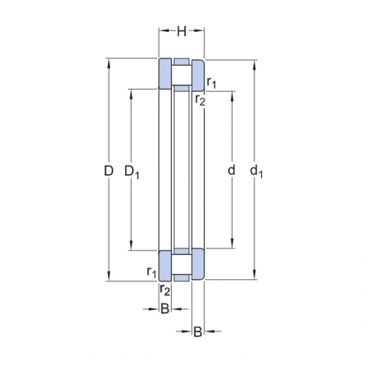
Rozmer: 65x90x18 Značka: KOYO-TORRINGTON
Externý sklad na dopyt
+
-
ks