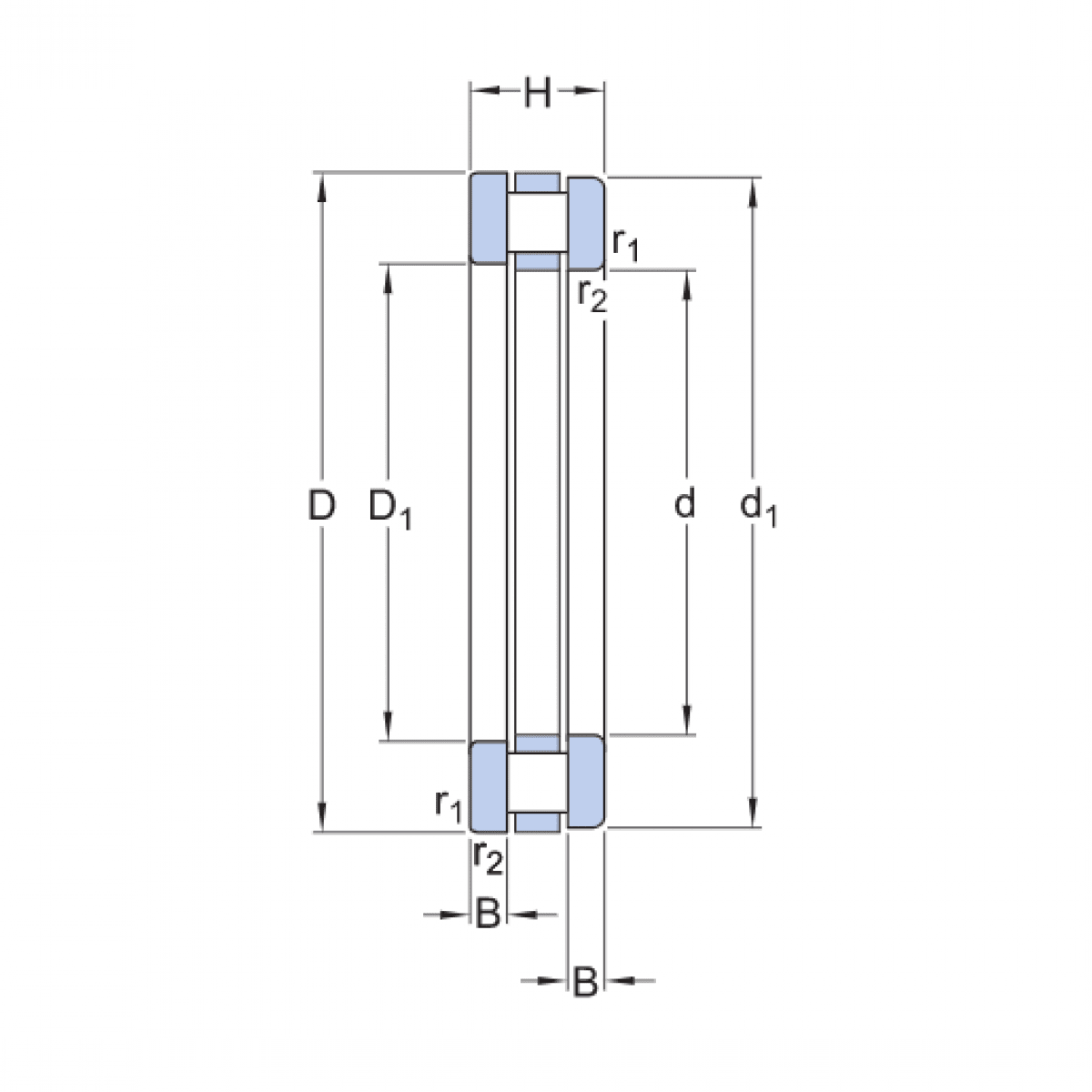
Ložisko 81114 NEUTRAL

Rozmer: 70x95x18 Značka: NEU
Externý sklad na dopyt
+
-
ks