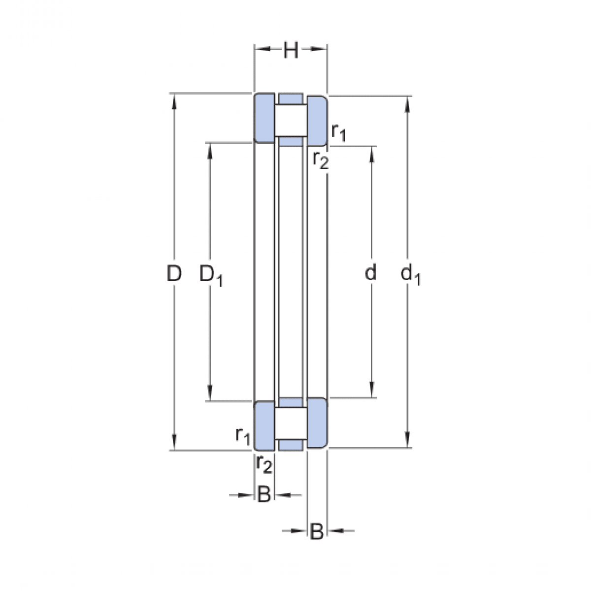
Ložisko 81164 /INA

Rozmer: 320x400x63 Značka: INA
Externý sklad na dopyt
+
-
ks