Ložisko 81214 TV - INA

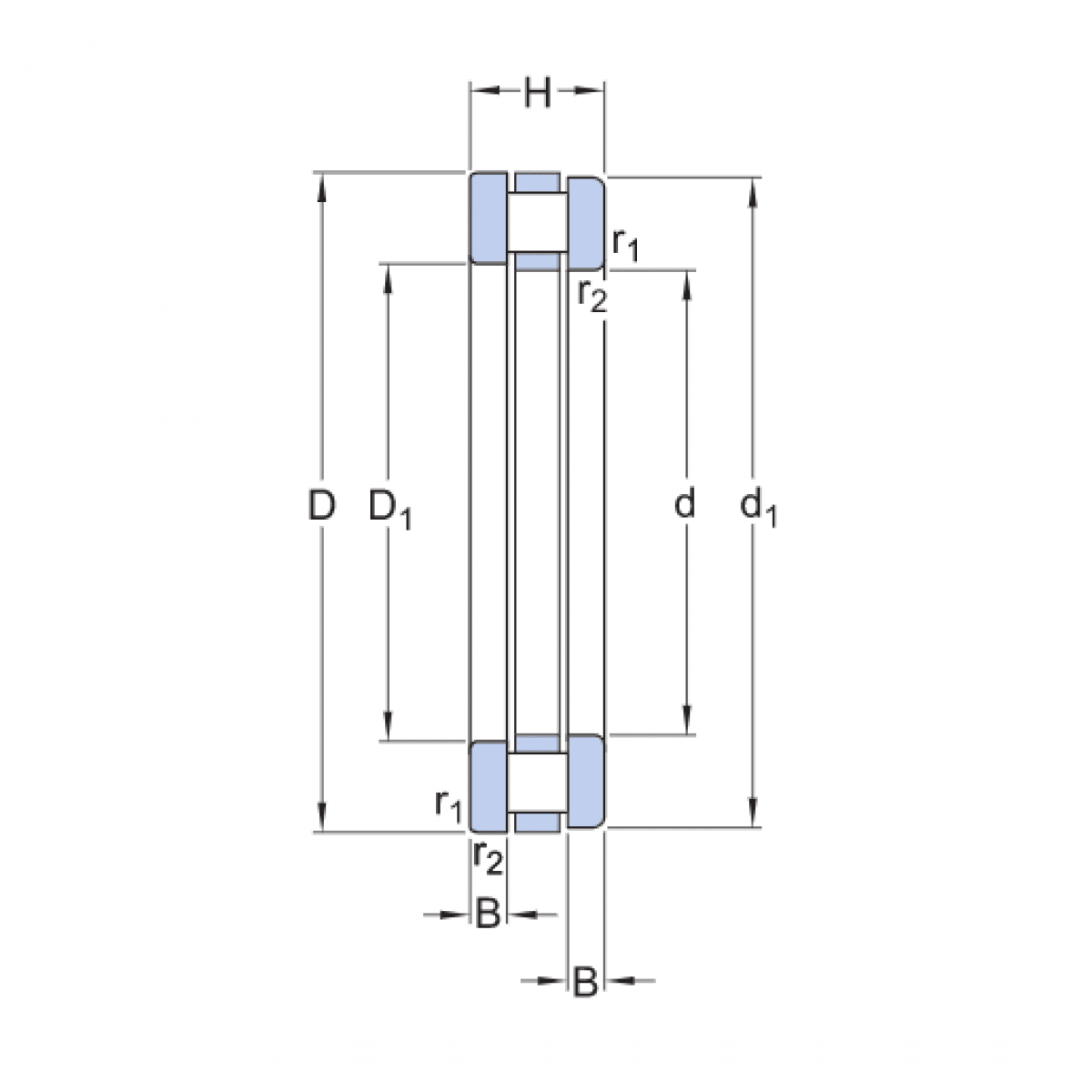
Rozmer: 70x105x27 Značka: INA
Externý sklad na dopyt
+
-
ks