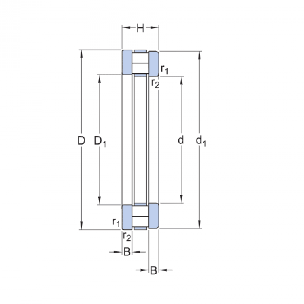
Ložisko 89312 TV - INA

Rozmer: 60x110x30 Značka: INA
Externý sklad na dopyt
+
-
ks