Ložisko 89322 M - INA

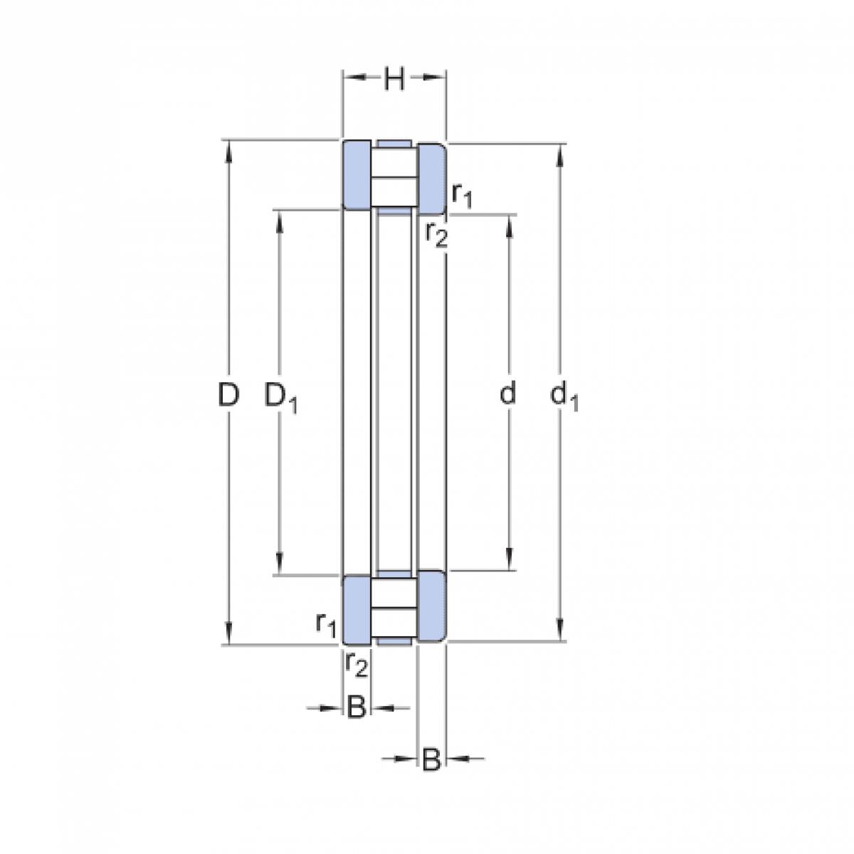
Rozmer: 110x190x48 Značka: INA
Skladom 1 ks na dopyt
+
-
ks