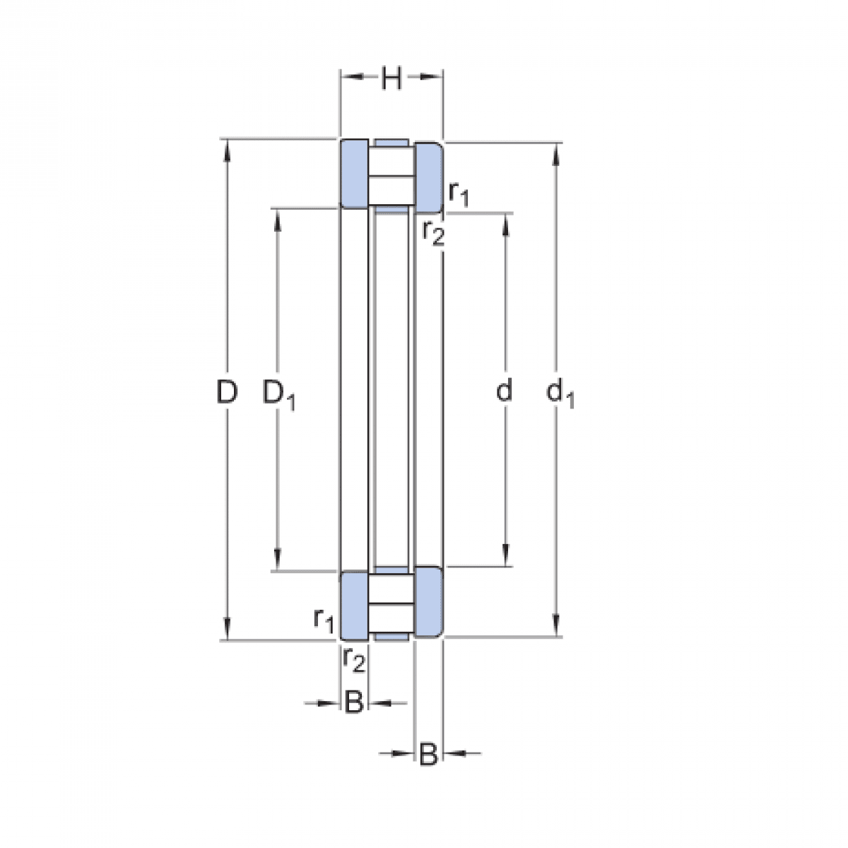
Ložisko 89444 M / INA

Rozmer: 220x420x122 Značka: INA
Externý sklad na dopyt
+
-
ks