Ložisko AXK 1528 /INA

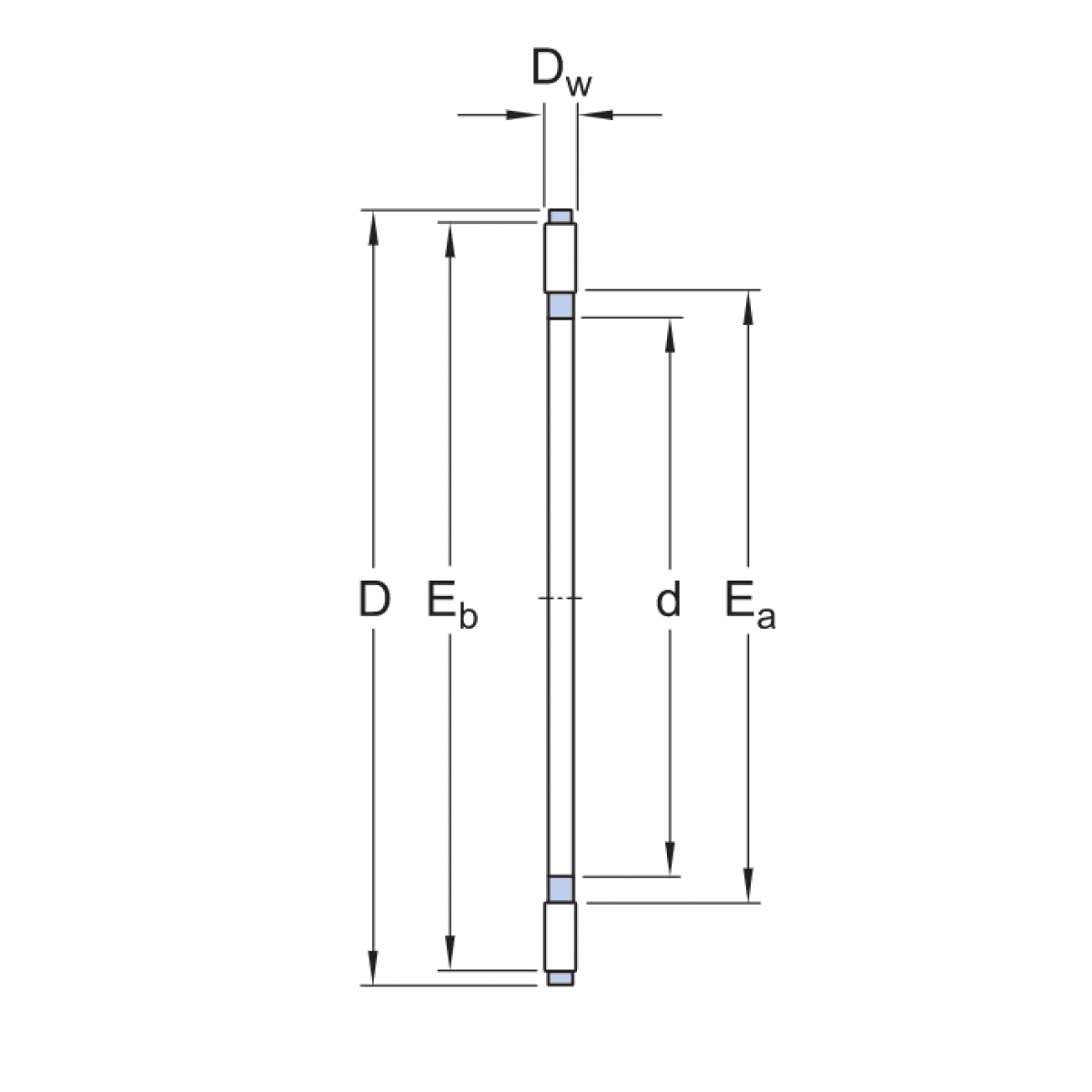
Rozmer: 15x28x2 Značka: INA
Externý sklad na dopyt
+
-
ks