Ložisko AXK 90120 /FAG

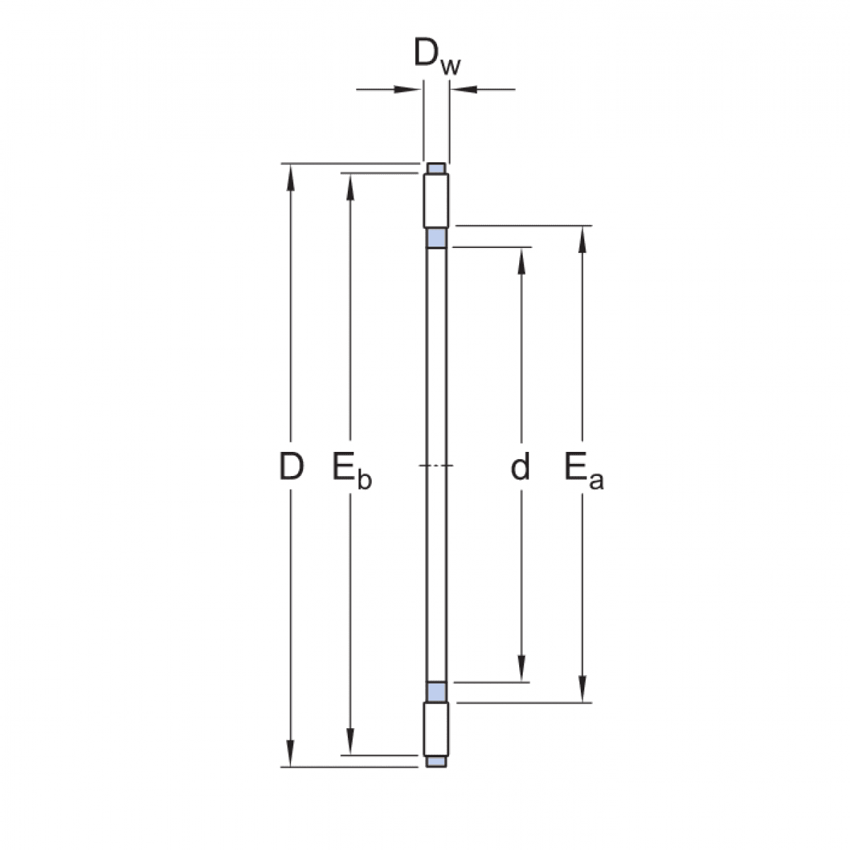
Rozmer: 90x120x4 Značka: FAG
Skladom 8 ks na dopyt
+
-
ks