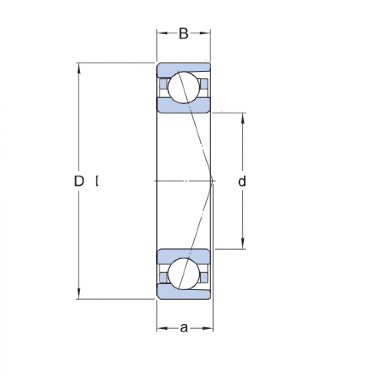
Ložisko B71904 C.TP4S.UL - FAG

Rozmer: 20x37x9 Značka: FAG
Externý sklad na dopyt
+
-
ks