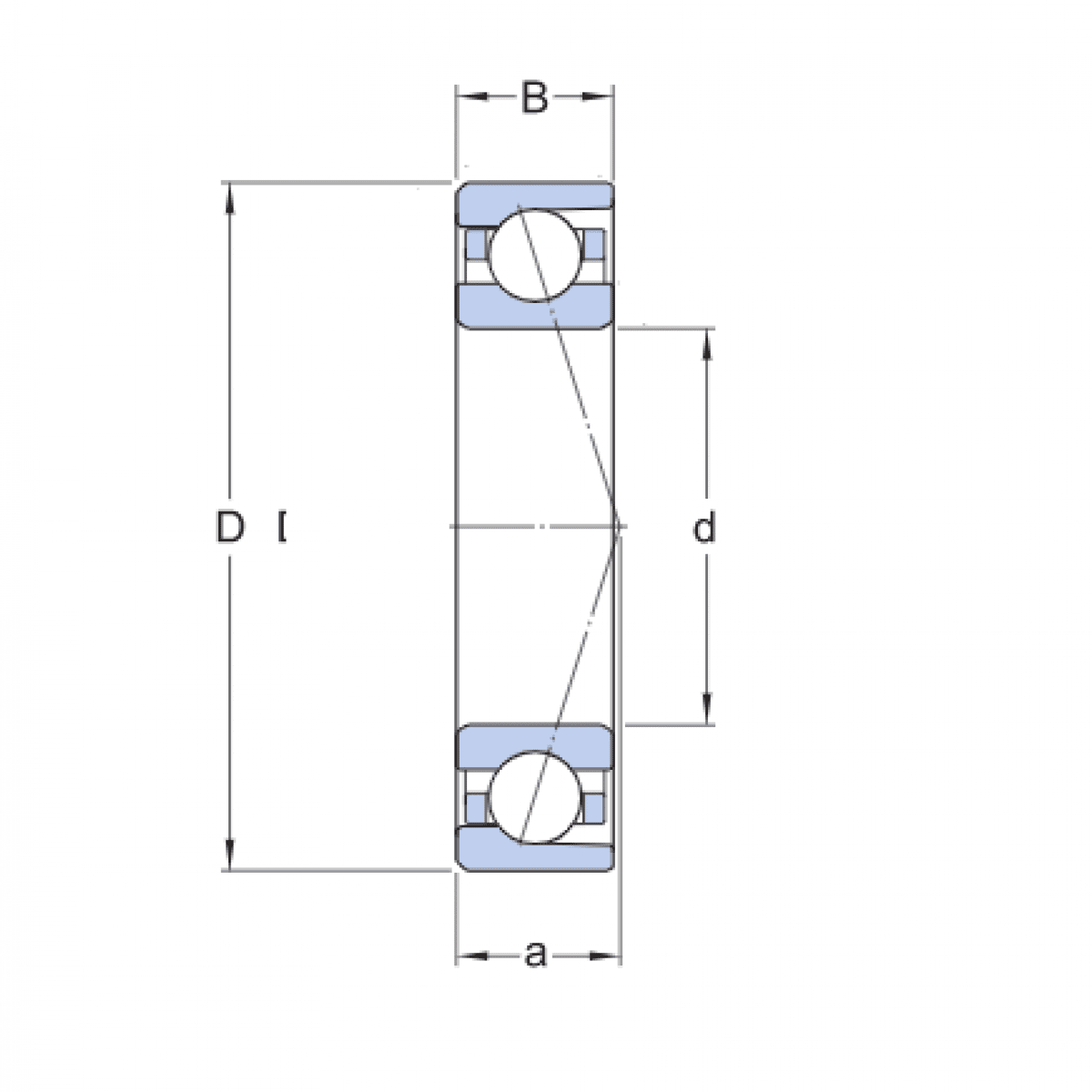
Ložisko B71906C.TP4S.UL /FAG

Rozmer: 30x47x9 Značka: FAG
Externý sklad na dopyt
+
-
ks