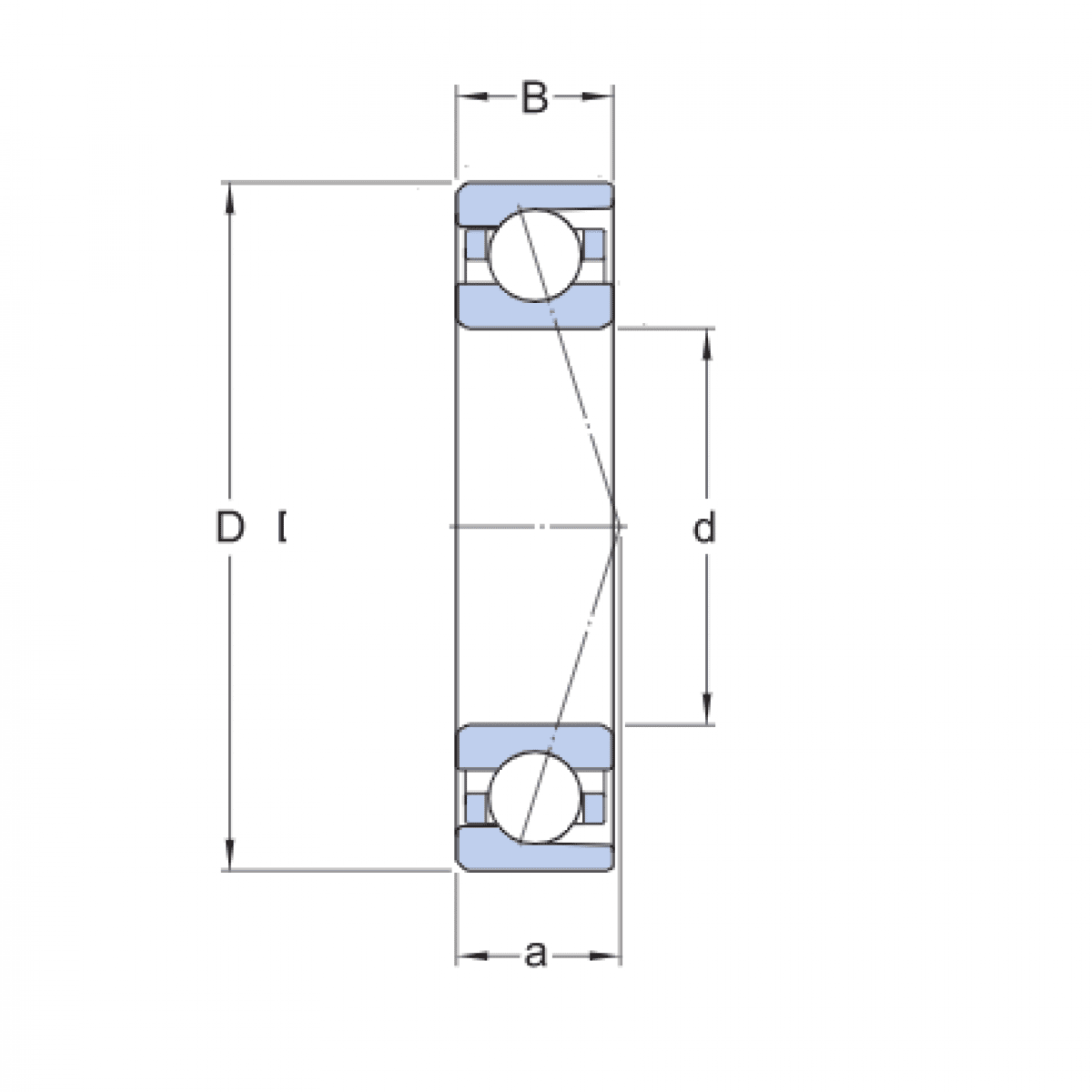
Ložisko B71914CTP4SUM / FAG

Rozmer: 70x100x16 Značka: FAG
Externý sklad na dopyt
+
-
ks