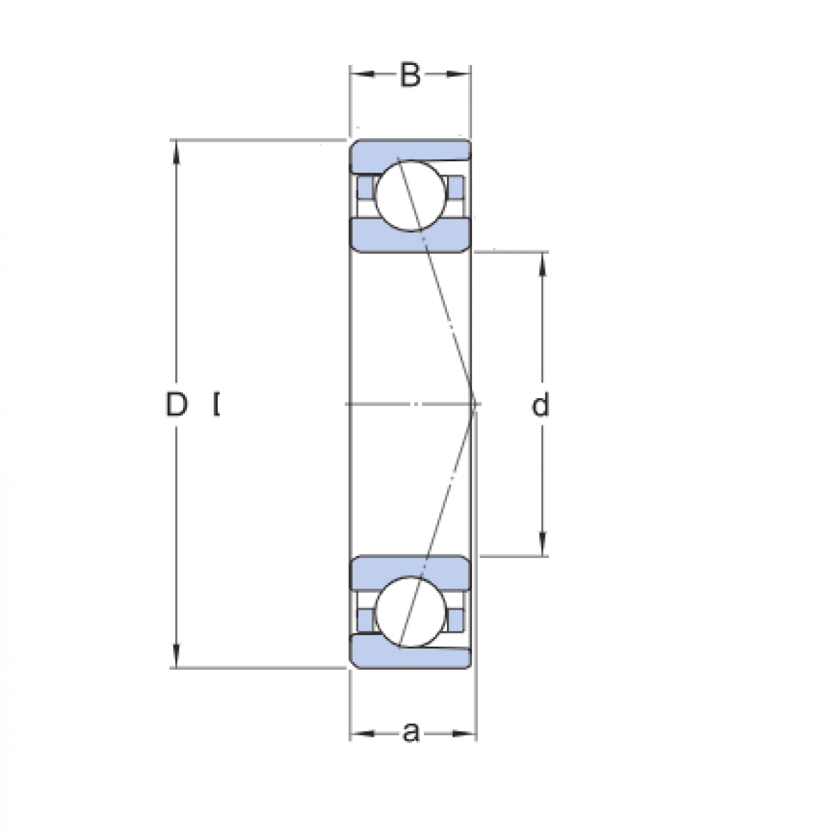
Ložisko B71928 CDGA P4A / SKF

Rozmer: 140x190x24 Značka: SKF
Externý sklad na dopyt
+
-
ks