Ložisko B7205 ATB P5 /ZKL

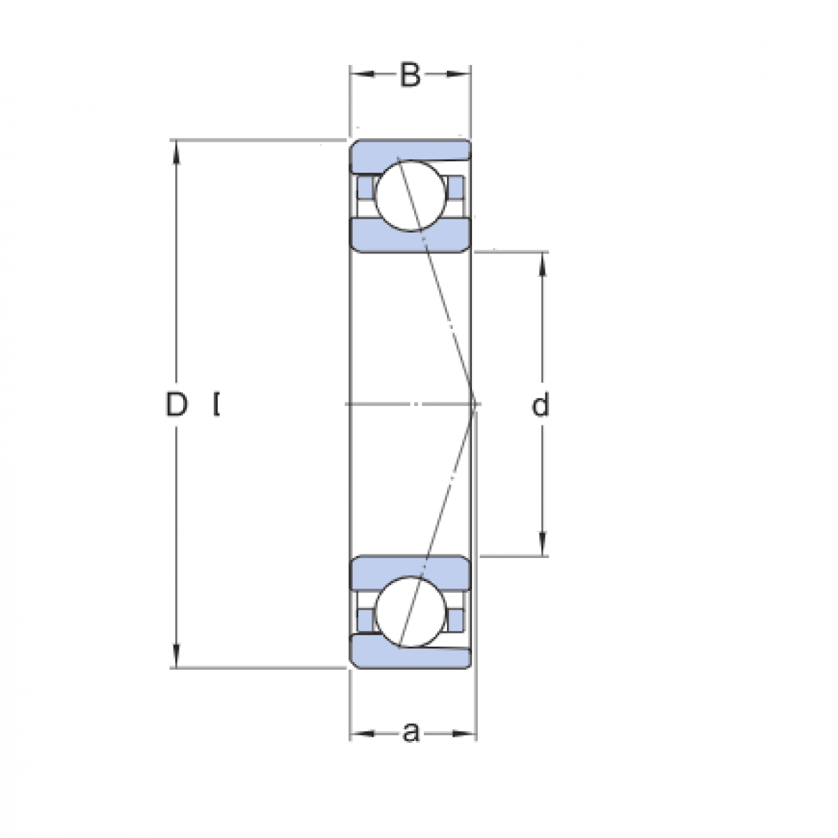
Rozmer: 25x52x15 Značka: ZKL
Externý sklad na dopyt
+
-
ks