Ložisko B7207C BTB P4 /ZKL

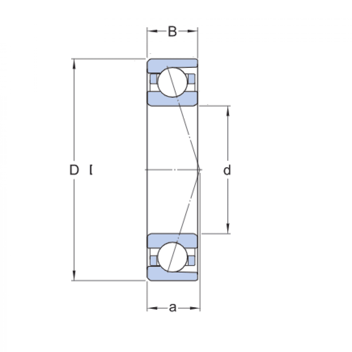
Rozmer: 35x72x17 Značka: ZKL
Externý sklad na dopyt
+
-
ks