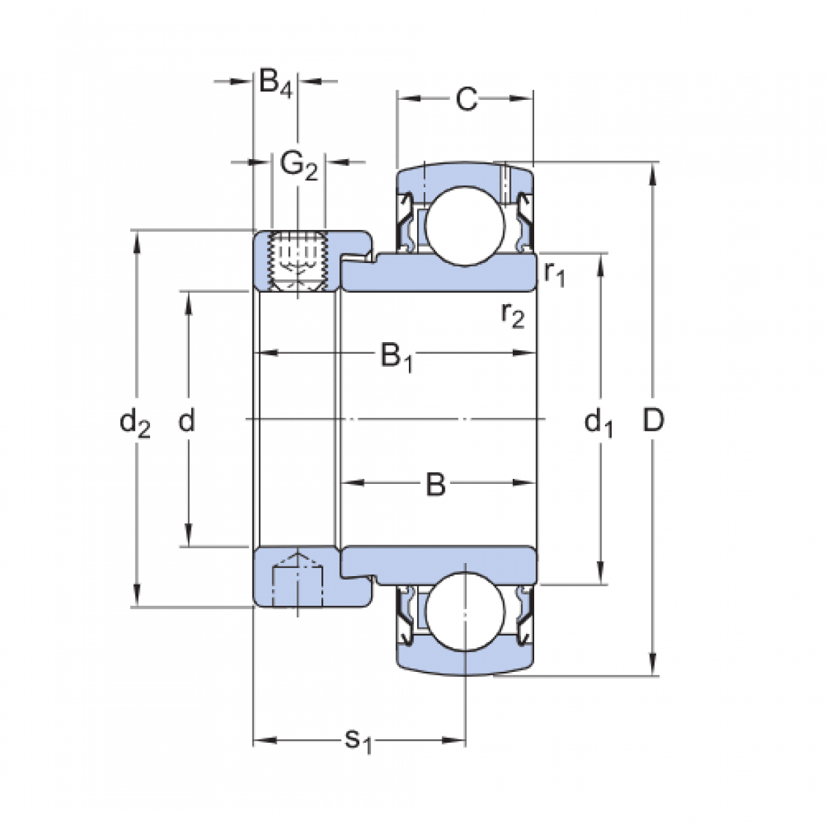
Ložisko ES 201-08 G2 - SNR

Rozmer: 12,7x40x28,6 Značka: SNR
Externý sklad na dopyt
+
-
ks