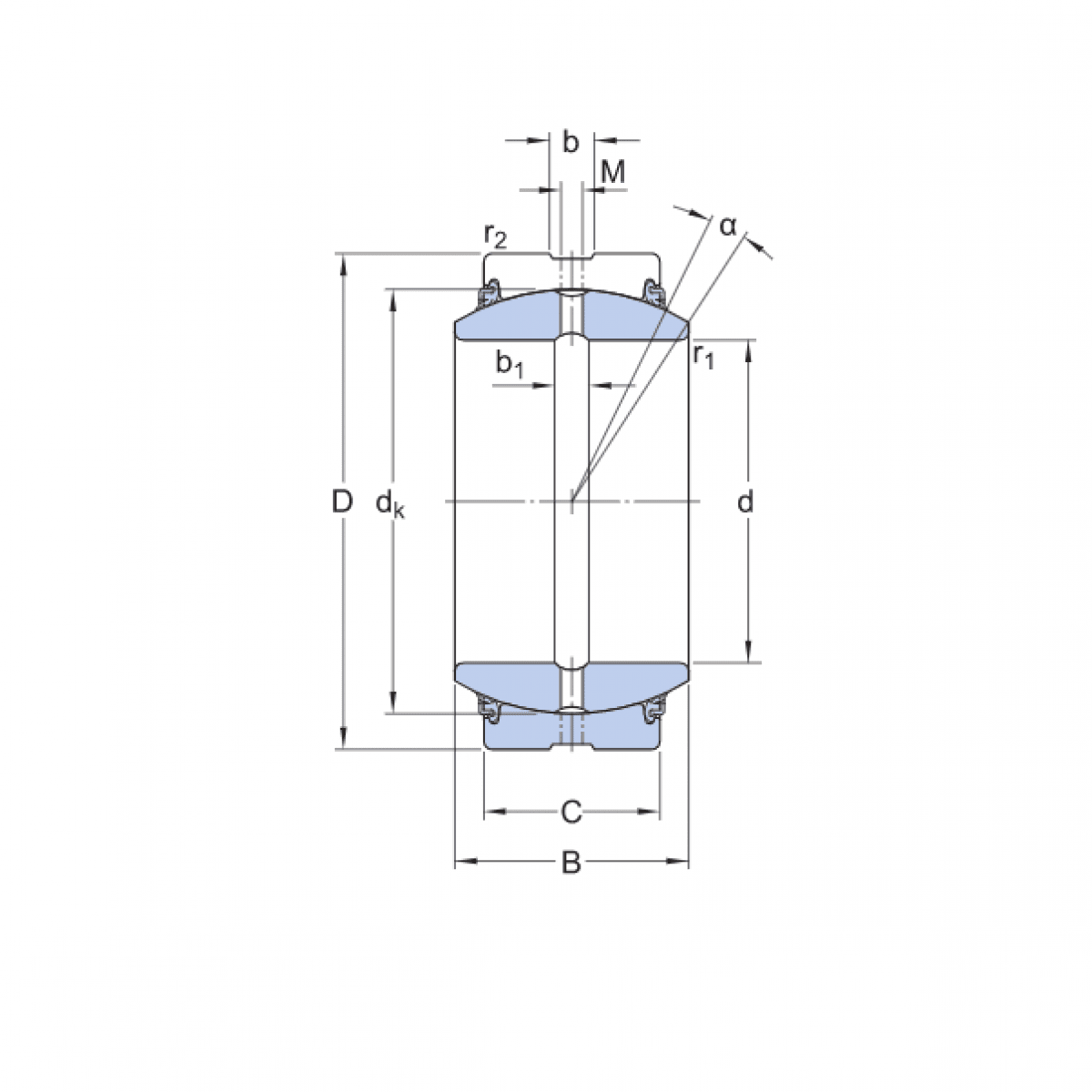
Ložisko GE 020 ES 2RS - CX

Rozmer: 20x35x16 Značka: CX
Externý sklad na dopyt
+
-
ks