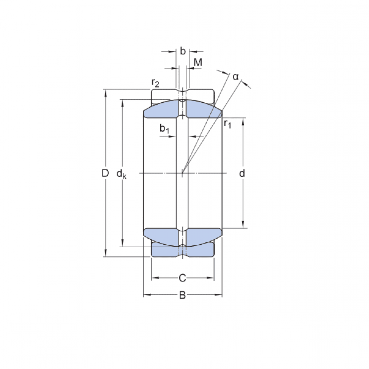
Ložisko GE 020 ES - LSP

Rozmer: 20x35x16 Značka: CHINA+OSTATNÉ
Externý sklad na dopyt
+
-
ks