Ložisko GE 025 HO 2RS - INA

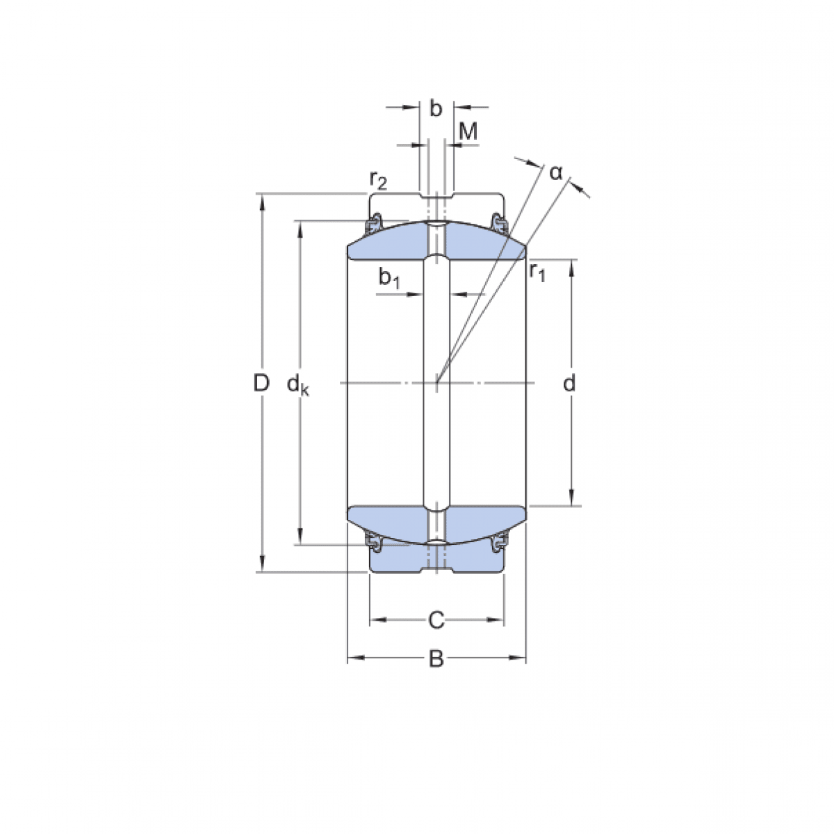
Rozmer: 25x42x29/16 Značka: INA
Externý sklad na dopyt
+
-
ks