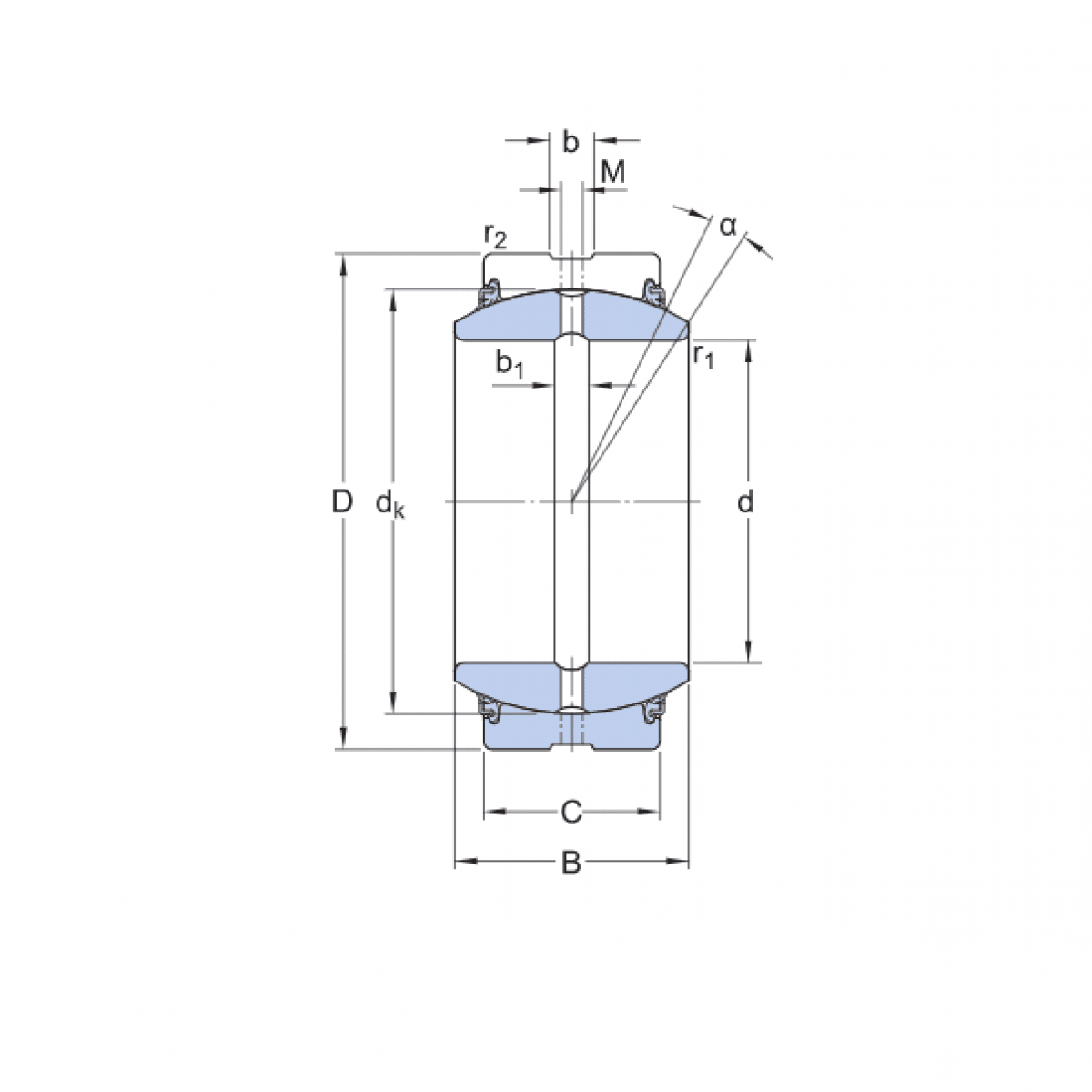
Ložisko GE 030 2RS - CX

Rozmer: 30x47x22 Značka: CX
Externý sklad na dopyt
+
-
ks