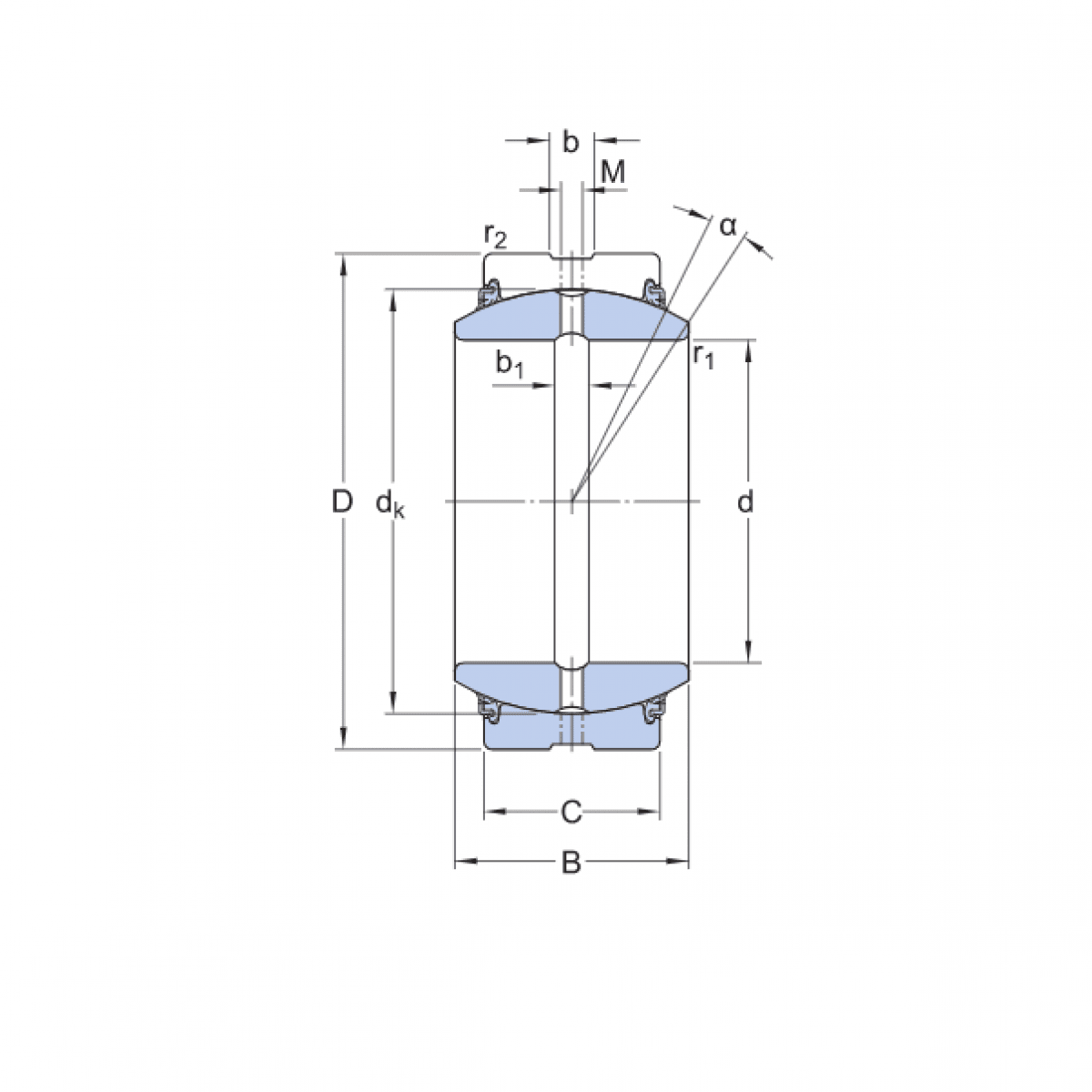
Ložisko GE 030 ES 2RS - KBS

Rozmer: 30x47x22 Značka: KBS, KBC
Externý sklad na dopyt
+
-
ks