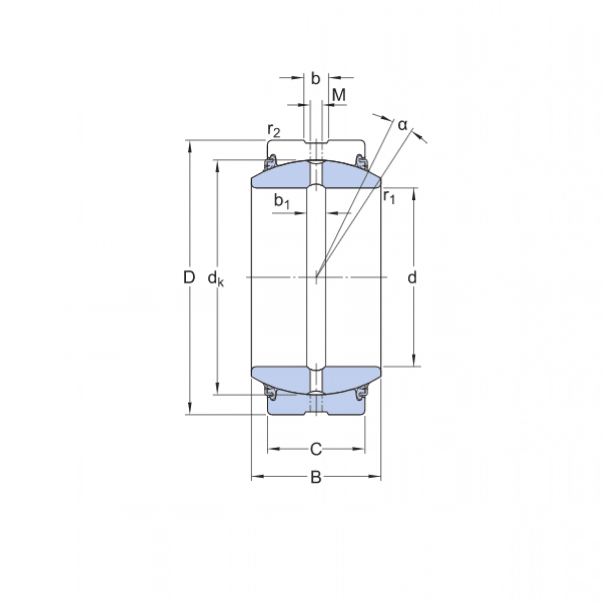
Ložisko GE 035 2RS- CX

Rozmer: 35x55x25 Značka: CX
Externý sklad na dopyt
+
-
ks